L'atelier Encore un clavier manquant
Reprise du message précédent
et en comparant avec des matrices de sony de la meme époque le sony HB55/57 par exemple on se rend compte qu'a quelque chose pres les patrices sont semblableshttp://www.msxarchive.nl/pub/msx/mirrors/hanso/service_manuals/sonyhp5575sm.pdf
http://www.msxarchive.nl/pub/msx/docs/service_manuals/sonyhbf700psm.pdf
donc si le brochage est identique ce que je penses tu ne devrais pas rencontrer trop de soucis
.
les claviers de SONY sont multiplexés donc la matrice n'attaque pas directement le pseudo PPI qui se trouve dans le S1985 pour le HB700
sur le HB701 il y a un vrai PPI 8255 ce sera plus facile a relever le schéma a partir de la prise clavier en façade
sur le HB701 il y a un vrai PPI 8255 ce sera plus facile a relever le schéma a partir de la prise clavier en façade
Pour les matrices :
http://www.msxvillage.fr/forum/topic.php?id=1668#m36674
Le HB-701 a une matrice japonaise et il serait étonnant qu'il gère le pavé numérique.
http://www.msxvillage.fr/forum/topic.php?id=1668#m36674
Le HB-701 a une matrice japonaise et il serait étonnant qu'il gère le pavé numérique.
Merci pour toutes ces infos 
Quand je l'aurais reçu je reviendrais sur ce post
En faite je pourrais faire un test simple : tester les pins du port keyboard pour trouver le +5 et GND et vérifier si cela correspond au clavier du HB-700D, qu'est ce que vous en pensez ?

Quand je l'aurais reçu je reviendrais sur ce post

En faite je pourrais faire un test simple : tester les pins du port keyboard pour trouver le +5 et GND et vérifier si cela correspond au clavier du HB-700D, qu'est ce que vous en pensez ?
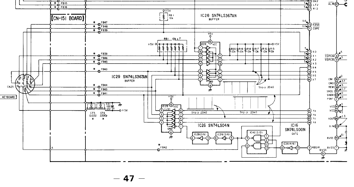
voici le schéma du clavier partie dans le 700 et partie dans le clavier
les signaux ont deux fonctions grace a KBDIR , il y a donc un dialogue entre le clavier et le S1985
les puces classiques LS145 LS175 se retrouvent donc dans le clavier
le mieux est de relever le schéma du HB701 avant d'avoir 2 machines OUT

les signaux ont deux fonctions grace a KBDIR , il y a donc un dialogue entre le clavier et le S1985
les puces classiques LS145 LS175 se retrouvent donc dans le clavier
le mieux est de relever le schéma du HB701 avant d'avoir 2 machines OUT

Je viens de recevoir le MSX 
Donc est ce que quelqu'un connais le PINOUT du port clavier du sony HBF 700 ou arrive à lire sur le schéma le pin VCC et GND grace à ca je pourrais tester le port clavier du 701 pour m'assurer que cel peut être compatible ???
Merci d'avance.

Donc est ce que quelqu'un connais le PINOUT du port clavier du sony HBF 700 ou arrive à lire sur le schéma le pin VCC et GND grace à ca je pourrais tester le port clavier du 701 pour m'assurer que cel peut être compatible ???
Merci d'avance.
Pas du tout Jipe ! permets moi de te reprendre!
Pour que cela marche il faut inverser la polarité de la broche Bis et connaitre le voltage!
attention, si tu te trompes en branchant 5v pin 12 sur le mauvais raccord tu risques une brisure du continium
espace-temps , ce qui te ramenera aux temps des cathédrales...inutile de te dire
que si tu restes en baskets tu vas avoir des problèmes : on ne rigole pas avec des baskets au Moyen-âge !
c'est le bucher assuré pour " commerce avec le malin"...
le mieux finalement c'est de verser du café chaud sur ton clavier: je peux te dire que ca marche!
n'hesite pas a reposer des questions, je suis toujours là pour aider...
Pour que cela marche il faut inverser la polarité de la broche Bis et connaitre le voltage!
attention, si tu te trompes en branchant 5v pin 12 sur le mauvais raccord tu risques une brisure du continium
espace-temps , ce qui te ramenera aux temps des cathédrales...inutile de te dire
que si tu restes en baskets tu vas avoir des problèmes : on ne rigole pas avec des baskets au Moyen-âge !
c'est le bucher assuré pour " commerce avec le malin"...
le mieux finalement c'est de verser du café chaud sur ton clavier: je peux te dire que ca marche!
n'hesite pas a reposer des questions, je suis toujours là pour aider...
.....comme dans tous les pays..il ya des mechants et des gentils....
goonies :
le mieux finalement c'est de verser du café chaud sur ton clavier: je peux te dire que ca marche!
le mieux finalement c'est de verser du café chaud sur ton clavier: je peux te dire que ca marche!
Il y en a qui ont essayé avec du champagne (ou équivalent):

Ils ont eu quelques soucis...
PS : Celui qui me donne le titre du film dont est tiré cette image gagne un carambar authentique des années 80, (non entamé) et le titre honorifique de Geek du mois ! Edité par ericb59 Le 02/06/2014 à 20h07
trop facile avec google
http://www.cinemotions.com/La-Belle-et-l-ordinateur-tt15985
tu peux garder le carambar a mon age les dents sont fragiles
http://www.cinemotions.com/La-Belle-et-l-ordinateur-tt15985
tu peux garder le carambar a mon age les dents sont fragiles
Je viens de tester le port clavier du HB-F701.
Voici ce que cela donne :
13 = GND
12 = +5v
après j'ai testé entre 13 et les autres pins voici les valeurs mesurées :
1= +4,44v
2= +4,14v
3= +4,50v
4= +4,50v
5= +4,50v
6= +4,50v
7= +5v
8= +0.15v
9= +5v
10= +0.15v
11= +0.16v
12= +5v
13= GND
Est ce que cela vous parait cohérent par rapport au schéma du HB-F700 ?
Voici ce que cela donne :
13 = GND
12 = +5v
après j'ai testé entre 13 et les autres pins voici les valeurs mesurées :
1= +4,44v
2= +4,14v
3= +4,50v
4= +4,50v
5= +4,50v
6= +4,50v
7= +5v
8= +0.15v
9= +5v
10= +0.15v
11= +0.16v
12= +5v
13= GND
Est ce que cela vous parait cohérent par rapport au schéma du HB-F700 ?
a priori ça ne correspond pas aux valeurs sur le schéma , tu l'as juste branché sur le 5V ou sur le MSX ?
le plus simple est d'ouvrir le clavier pour voir si tu as des circuits intégrés a l'intérieur
regarde avec le schéma du bas tu dois trouver
1x 74LS367 IC604
1x 74LS175 IC603
1x 74LS145 IC602
1x 74LS05 IC601
sinon fait une photo
le plus simple est d'ouvrir le clavier pour voir si tu as des circuits intégrés a l'intérieur
regarde avec le schéma du bas tu dois trouver
1x 74LS367 IC604
1x 74LS175 IC603
1x 74LS145 IC602
1x 74LS05 IC601
sinon fait une photo
Répondre
Vous n'êtes pas autorisé à écrire dans cette catégorie



