L'atelier [En cours] FS-A1WX révision complète nettoyage et révision d'un FS-A1WX
Reprise du message précédent
je ne sais pas si tu avais repéré cette page dans le lien que j'avais mis plus hauthttp://usbsecretbase.michikusa.jp/a1fx_wx/ram.html

JIPEMSX :
le Q11 que tu as dessoudé sert a fabriquer l'alim +5V a l'intérieur du MSX
pourquoi l'as tu dessoudé ?
conseil : ne fait pas trop d'intervention dessus avant de l'avoir testé
pourquoi l'as tu dessoudé ?
conseil : ne fait pas trop d'intervention dessus avant de l'avoir testé

Jipe,.... Tu oubli que igal est un chercheur



MSX 1&2 + Moniteurs+divers (environ 0.70Tonnes)






Bonsoir Jipe:
Concernant Q11, Les soudures étaient "débordantes" et les pistes autour avaient l'air d'être limées.
J'ai préféré refaire les soudures mais tu as raison, j'attends impatiemment de tester le bon fonctionnement avant d'entreprendre des choses croustillantes
Ton lien est très intéressant mai sje l'avais pas vu effectivement.
Du coup, en cherchant, j'ai trouvé une modif extrême sur FS-A1FX sur lequel le gars monte avec succès 16384 Kbytes
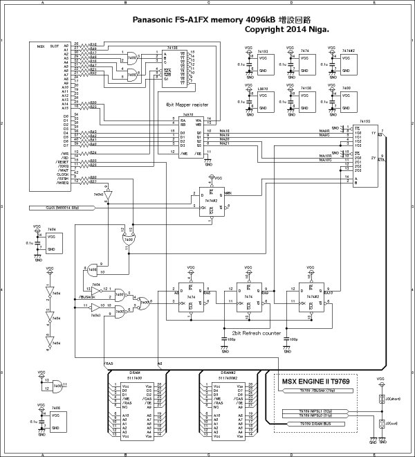
Voici la Source => http://niga2.sytes.net/msx/FX16M.html
Voici le schéma:

Pour arriver à ça, il a du faire un circuit "Rom System Hack" qui permet de dépasser la limite de 8 MégaBytes.

Le montage en gigogne de la mémoire.

Son site est une mine d'informations
Concernant Q11, Les soudures étaient "débordantes" et les pistes autour avaient l'air d'être limées.
J'ai préféré refaire les soudures mais tu as raison, j'attends impatiemment de tester le bon fonctionnement avant d'entreprendre des choses croustillantes

Ton lien est très intéressant mai sje l'avais pas vu effectivement.
Du coup, en cherchant, j'ai trouvé une modif extrême sur FS-A1FX sur lequel le gars monte avec succès 16384 Kbytes

Voici la Source => http://niga2.sytes.net/msx/FX16M.html
Voici le schéma:

Pour arriver à ça, il a du faire un circuit "Rom System Hack" qui permet de dépasser la limite de 8 MégaBytes.

Le montage en gigogne de la mémoire.

Son site est une mine d'informations

c'est traduisible avec Google Trad : https://translate.google.fr/?hl=fr&tab=wT
l'auteur conseille d'abord d'aller voir ce lien
http://niga2.sytes.net/msx/FX.html
16 mégas ça ne sert a rien , avec 4 mégas il y en a bien assez
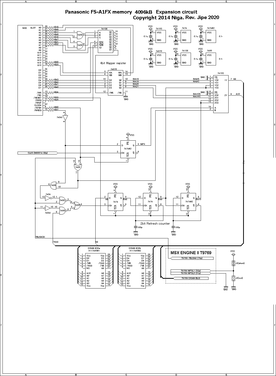
voici le schéma pour 4 mégas qui est bien plus simple et pas besoin de modifier la rom
l'auteur conseille d'abord d'aller voir ce lien
http://niga2.sytes.net/msx/FX.html
16 mégas ça ne sert a rien , avec 4 mégas il y en a bien assez
voici le schéma pour 4 mégas qui est bien plus simple et pas besoin de modifier la rom



@Jipe: 16384 Kbytes, c'est le rêve, je veux, je veux, je veux

PlaySmp permet de lire 90 secondes de musiques converties WAV à une fréquence de 22050Hz juste en désactivant le signal WAIT du VDP. Cela permet de lire 90 secondes de musique dans une qualité quasiment identique à une lecture sur PC.
En multipliant cette capacité par 4, on aurait donc la possibilité d'écouter 1,5 minute X 4 => 6 minutes de lecture WAV à 22Khz avec une superbe qualité
Le sujet avait été abordé il y a quelques temps ici => http://msxvillage.fr/forum/topic.php?id=1817#m40216
D'ailleurs, tu soulevais déjà le problème suivant:
Je vais regarder le lien que tu donnes au dessus et lancer des fouilles dans ma cave pour faire le point de ce que j'ai déjà et ce qu'il me faudrait pour aller plus loin.



PlaySmp permet de lire 90 secondes de musiques converties WAV à une fréquence de 22050Hz juste en désactivant le signal WAIT du VDP. Cela permet de lire 90 secondes de musique dans une qualité quasiment identique à une lecture sur PC.
En multipliant cette capacité par 4, on aurait donc la possibilité d'écouter 1,5 minute X 4 => 6 minutes de lecture WAV à 22Khz avec une superbe qualité

Le sujet avait été abordé il y a quelques temps ici => http://msxvillage.fr/forum/topic.php?id=1817#m40216
D'ailleurs, tu soulevais déjà le problème suivant:
Jipe :
4Mo c'est la mémoire maximale adressable sur un mapper normal de MSX
la tu as 4 mappers dans 4 slots étendus chose que je n'ai jamais testé
a priori les adresses F8 a FB commutent les banks mémoires
attention la page 3 C000 a FFFF ne doit pas être commutée car elle contient les variables systémes et les zones des lecteurs
normalement avec 2 mappers sur un MSX on utilise le port A8 pour sélectionneur celui que l'on veut utiliser mais on a jamais les 2 en même temps
la tu as 4 mappers dans 4 slots étendus chose que je n'ai jamais testé
a priori les adresses F8 a FB commutent les banks mémoires
attention la page 3 C000 a FFFF ne doit pas être commutée car elle contient les variables systémes et les zones des lecteurs
normalement avec 2 mappers sur un MSX on utilise le port A8 pour sélectionneur celui que l'on veut utiliser mais on a jamais les 2 en même temps
Je vais regarder le lien que tu donnes au dessus et lancer des fouilles dans ma cave pour faire le point de ce que j'ai déjà et ce qu'il me faudrait pour aller plus loin.

la version 16 Mb a l'air trés complexe a faire , je ne sais pas si moi je tenterais le coup a cause des modifs dans la rom
en plus le cablage a l'air un peu fouillis pour s'y retrouver a l'aide des photos
j'ai refait le schéma du 4 Mb a partir du 16 pour que tu voye bien les différences car celui que j'ai donné est un peu petit ( on n'arrive pas a lire les composants)

en plus le cablage a l'air un peu fouillis pour s'y retrouver a l'aide des photos
j'ai refait le schéma du 4 Mb a partir du 16 pour que tu voye bien les différences car celui que j'ai donné est un peu petit ( on n'arrive pas a lire les composants)

attention - attention
la modif 16 Mb est pour un Panasonic A1-FX qui n'a pas les mêmes roms que le tien
sur le A1-WX que tu as tous les emplacements sont pleins

attention - attention
la modif 16 Mb est pour un Panasonic A1-FX qui n'a pas les mêmes roms que le tien
sur le A1-WX que tu as tous les emplacements sont pleins

attention - attention

Oui Jipe. Justement, j'avais l'intention de me débarrasser de toutes ces Roms qui embarquent du Software que je n'utiliserai jamais 
De toutes façon, je pense y aller, étape par étape.
Dans un premier temps peut être supprimer les ROMS et les remplacer par le "System Rom Hack" et si c'est fonctionnel, aller plus loin

De toutes façon, je pense y aller, étape par étape.
Dans un premier temps peut être supprimer les ROMS et les remplacer par le "System Rom Hack" et si c'est fonctionnel, aller plus loin

le A1-FX on en parle ici et il y a sa rom d'origine et avec la FM dans les download
https://www.msxinfo.net/howtos-overview/
https://www.msxinfo.net/howtos-overview/
voici les mappages internes des 2 MSX
A1-WX

A1-FX

la grande différence est le slot 0 étendu
et voila une partie qui reste a traduire car il y d'autres différences entre les 2 modéles a priori

A1-WX

A1-FX

la grande différence est le slot 0 étendu
et voila une partie qui reste a traduire car il y d'autres différences entre les 2 modéles a priori


Franck :
Qu'est ce que je pourrais faire de toutes ces bites ?

1Mo = 1MB = 8Mb
16Mo = 16MB = 128Mb
MO ou Mo = Mega Octet (Version Francaise)
MB = Mega Byte (Version Anglaise ou US)
1Mo = 1MB
_________________________________
Attention, il ne faut pas confondre MB (MegaBytes) et Mb (MegaBits). Sur la plupart des systèmes, un MegaByte est composée de 8 bits, ce qui signifie que :
1Mo = 1MB = 8Mb
Plus d'informations ici : https://www.commentcamarche.net/contents/95-le-codage-binaire#octet
Source : https://forums.commentcamarche.net/forum/affich-1921093-difference-entre-mo-et-mb Edité par TurboSEB Le 03/06/2020 à 15h52

MSX 1&2 + Moniteurs+divers (environ 0.70Tonnes)





6 minutes de bonheur a l'écoute du chanteur préféré d'igal
Citation :
PlaySmp permet de lire 90 secondes de musiques converties WAV à une fréquence de 22050Hz juste en désactivant le signal WAIT du VDP. Cela permet de lire 90 secondes de musique dans une qualité quasiment identique à une lecture sur PC.
En multipliant cette capacité par 4, on aurait donc la possibilité d'écouter 1,5 minute X 4 => 6 minutes de lecture WAV à 22Khz avec une superbe qualité
En multipliant cette capacité par 4, on aurait donc la possibilité d'écouter 1,5 minute X 4 => 6 minutes de lecture WAV à 22Khz avec une superbe qualité
Répondre
Vous n'êtes pas autorisé à écrire dans cette catégorie